行業解決方案
世紀金光擁有豐富的碳化硅功率器件產品系列,包括符合AEC-Q101標準的碳化硅(SiC)MOSFET和SBD,以及工業用混合/全碳化硅功率模塊,能提供可擴展、高性價比和高能效的解決方案。
電能傳輸裝置
- 應用優勢
-
· 具有高時速的開關特性
· 極為方便的控制能力
· 瞬時、高頻、低損耗
· 具有高安全性的特性
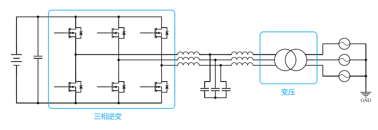
儲能電站儲能變流器(PCS)
- 應用優勢
-
· 瞬時、高頻、低損耗
· 具有高安全性的特性
· 低導通電阻降低損耗
· 正溫度系數更容易均流


高性能電源
新能源汽車
光伏
充電樁
智慧電網
特種領域